-¥¢¥Ð¥é¥ó¥·¥§»î¸³¤Î´ðÁÃ-

¥Ñ¥ï¡¼¥Ç¥Ð¥¤¥¹¤Ï¥¤¥ó¥Ð¡¼¥¿À©¸æ¤ò¼çÌÜŪ¤Ë,¥µ¥¤¥ê¥¹¥¿¡¢GTO¡¢¥Ð¥¤¥Ý¡¼¥é¡¢£Í£Ï£Ó-£Æ£Å£Ô¡¢£É£Ç£Â£Ô¤Ø¤È¿ÊŸ¤·¡¢ Éý¹­¤¤Ê¬Ìî¤ÇÂçÊѽÅÍפÊÌò³ä¤ò»ý¤Ä¤è¤¦¤Ë¤Ê¤ê¤Þ¤·¤¿¡£
¤½¤ÎÃæ¤Ç¤â°åÎÅ¡¢¼«Æ°¼Ö¡¢Å´Æ»etc¡¦¡¦¡¦¿ÍÌ¿¤Ë·¸¤ï¤ëʬÌî¤Ë¤â¿¤¯»ÈÍѤµ¤ì¡¢¥Ç¥Ð¥¤¥¹¤ÎÀ­Ç½¤Î¸þ¾å¤ÏÅöÁ³¤Î¤³¤È¤Ê¤¬¤é¡¢¤½¤ì¤é¤Î¥Ç¥Ð¥¤¥¹¤¬Ç˲õ¤·¤Ê¤¤¤¿¤á¤Î¿®ÍêÀ­¤Ë¤âÃåÌܤ·¤Ê¤±¤ì¤Ð¤¤¤±¤Þ¤»¤ó¡£
º£²ó¤Ï¥Ñ¥ï¡¼¥Ç¥Ð¥¤¥¹¤Î¥¢¥Ð¥é¥ó¥·¥§»î¸³¤Ë¤Ä¤¤¤Æ¹Í¤¨¤Æ¤ß¤¿¤¤¤È»×¤¤¤Þ¤¹¡£

2008ǯ6·î

 

¢£¥¢¥Ð¥é¥ó¥·¥§»î¸³¤È¤Ï

MOS-FET¤òÎã¤Ë¤·¤Æ²òÀ⤷¤Þ¤·¤ç¤¦¡£
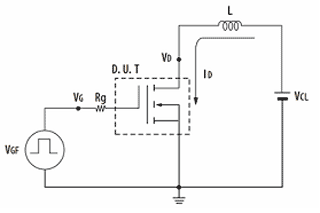
¿Þ­¡¥¢¥Ð¥é¥ó¥·¥§²óÏ©¿Þ
¤ò¤´Í÷¤¯¤À¤µ¤¤¡£
¥¢¥Ð¥é¥ó¥·¥§»î¸³¤È¤Ï¡¢¥¤¥ó¥À¥¯¥¿¡¼¤ËÃߤ¨¤é¤ì¤¿¥¨¥Í¥ë¥®¡¼¤¬¡¢G(¥²¡¼¥È)¤òOFF¤Ë¤·¤¿½Ö´Ö¤ËS(¥½¡¼¥¹)-D(¥É¥ì¥¤¥ó)´Ö¤Ë°ìµ¤¤Ë¤Ê¤À¤ì¹þ¤à¸½¾Ý¤Ç¤¹¡£
¤½¤Î¥¨¥Í¥ë¥®¡¼¤Ï(¼°1)¤Î¸ø¼°¤Ë¤è¤ê·×»»¤¹¤ë»ö¤¬¤Ç¤­¤Þ¤¹¡£¤Þ¤¿¥¢¥Ð¥é¥ó¥·¥§»î¸³¤ò¹Ô¤Ã¤¿¾ì¹ç¤Î°ìÈÌŪ¤ÊÇÈ·Á¥¤¥á¡¼¥¸¤Ï(¿Þ2)¤ÎÄ̤ê¤Ç¤¹¡£



¼°

 ¡¡(¼°1)¡¡¡¡¡¡¡¡¡¡¡¡¡¡¡¡¡¡¡¡¡¡¡¡¡¡¡¡¡¡¡¡¡¡¡¡¡¡¡¡¡¡¡¡¡¡¡¡¡¡¡¡
 »î¸³²óÏ©
¡¡(¿Þ1)

ÅöÁ³¡¢Åª³Î¤Ê¬Äê¾ò·ï¤Ç¤Ê¤±¤ì¤Ð¡¢Àµ³Î¤Ë¥Ç¥Ð¥¤¥¹¤Î¿®ÍêÀ­¤ò»î¸³¤¹¤ë»ö¤Ï½ÐÍè¤Þ¤»¤ó¡£
Î㤨¤Ð¡¢(¿Þ2)¤ÎVava¤ÎÃͤϥǥХ¤¥¹¸ÇÍ­¤ÎÃͤǤ¹¡£
¤È¤³¤í¤¬¡¢Ipeak¡Ê¬ÄêÅÅήÃ͡ˤÈL(¥¤¥ó¥À¥¯¥¿¥ó¥¹)¤ò¶Ëü¤ËÄ㤤Ãͤǥ¢¥Ð¥é¥ó¥·¥§»î¸³¤ò¤·¤¿¾ì¹ç¡¢Vava¤ÎÃͤ¬¼ÂÎÏÃͤè¤ê¤â²¼¤¬¤Ã¤Æ¤·¤Þ¤¦¤³¤È¤¬¤¢¤ê¤Þ¤¹¡£¥Ç¥Ð¥¤¥¹¤Î¥¹¥¤¥Ã¥Á¥ó¥°¥¹¥Ô¡¼¥É¤¬ÃÙ¤¤¾ì¹ç¤Ï¡¢Vava¤¬´°Á´¤ËΩ¤Á¾å¤¬¤ëÁ°¤Ë¡¢ ¥¢¥Ð¥é¥ó¥·¥§¤Î¥¨¥Í¥ë¥®¡¼¤ò¾ÃÈñ¤·¤Æ¤·¤Þ¤¤¤Þ¤¹¡£ ¤Þ¤¿¡¢¥Æ¥¹¥È¤Ç¤Î²óÏ©¤ÎÌäÂê¤â¹Í¤¨¤é¤ì¤Þ¤¹¡£
¬Äê²óÏ©¤Ë¤è¤ê¥¢¥Ð¥é¥ó¥·¥§¥¨¥Í¥ë¥®¡¼¤¬¾ÃÈñ¤µ¤ì¤Æ¤·¤Þ¤Ã¤Æ¤Ï¡¢ Àµ³Î¤Ê¬Äê¤È¤Ï¸À¤¨¤Þ¤»¤ó¡£

¥Ï¥¤¥¹¥Ô¡¼¥É¥¹¥¤¥Ã¥Á
¡¡ (¿Þ3)
 
ÇÈ·Á
¡¡
¡¡ (¿Þ2)

¥Æ¥£¥¢¥Æ¥Ã¥¯¤Î¥¢¥Ð¥é¥ó¥·¥§»î¸³ÁõÃÖ¡ÖFatProbe¡×¤Ç¤Ï¥Ï¥¤¥¹¥Ô¡¼¥É¥¹¥¤¥Ã¥Á¤òÅëºÜ¤·¤Æ¤¤¤Þ¤¹(¿Þ3)
¥²¡¼¥ÈÅ۵¤òOFF¤Ë¤·¤¿½Ö´Ö¤Ë(¿Þ3)ÀÖÏÈÉôʬ¤Î¥¹¥¤¥Ã¥Á¤òOFF¤Ë¤¹¤ë»ö¤Ç¡¢ ¬Äê²óÏ©¾å¤Ç¤Î¥¨¥Í¥ë¥®¡¼¥í¥¹¤ò¶Ë¸Â¤Þ¤Ç¸º¤é¤·¤Æ¤¤¤Þ¤¹¡£¤³¤ì¤Ë¤è¤ê(¼°2)¤Î¤è¤¦¤Ë½ã¿è¤Ê¥¢¥Ð¥é¥ó¥·¥§»î¸³¤¬²Äǽ¤È¤Ê¤ê¤Þ¤¹¡£
¥Æ¥£¥¢¥Æ¥Ã¥¯¤Ç¤Ï¥Ç¥Ð¥¤¥¹¤ÎÆÃÀ­¤Ë±þ¤¸¤¿Â¬Äê¾ò·ï¤ÎÄ󰯤ò¹Ô¤Ã¤Æ¤ª¤ê¤Þ¤¹¡£

¢£¡ÖFat Probe¡×¤Ë´Ø¤¹¤ë¤ªÌ䤤¹ç¤ï¤»¤Ï¥³¥Á¥é¢­

¼°2
¡¡ (¼°2)
   
¤ªÌ䤤¹ç¤ï¤»¡¦»ñÎÁÀÁµá¥Õ¥©¡¼¥à
 
¡¦²ñ¼Ò̾
¡¦Éô½ð̾
¡¦Ã´Åö¼Ô̾
¡¦ÅÅÏÃÈÖ¹æ
¡¦E-mail
¡¦½»½ê ¢© ¡¡
¡¦Ìä¹ç¤»ÆâÍÆ
 

 

Main¥Ú¡¼¥¸¤ËÌá¤ê¤Þ¤¹